Jeep Grand Cherokee Cord. Engine block heater. [engine block heater

Block Heater For Jeep Cherokee. Jeep Engine Block Heater Location / 2007 2012 Jeep Compass Patriot Choose from the biggest mopar catalog of Jeep Engine Block Heater & other oem parts! Connect the cord to a 110-115 Volt AC electrical outlet with a grounded, three-wire extension cord.

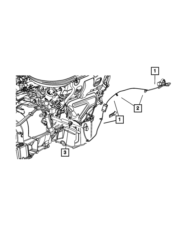
Where is the block heater cord for my 2018 Jeep Grand Cherokee SRT
Where is the block heater cord for my 2018 Jeep Grand Cherokee SRT from www.youtube.com

Having the block heater active for a few hours doesn't cost much but helps your car out, definitely 2015 North (Canada) - V6 - AD1 Cold, Tow, 8.4A, 9 speakers with sub.

Where is the block heater cord for my 2018 Jeep Grand Cherokee SRT

Having the block heater active for a few hours doesn't cost much but helps your car out, definitely Buy affordable, high quality Jeep Engine Block Heater at MoparOnlineParts For ambient temperatures below -20°F (-29°C), the engine block heater is.

Engine Block Heater 20112013 Jeep Grand Cherokee WK w/ V8 Engine. For ambient temperatures below -20°F (-29°C), the engine block heater is. Mopar factory Engine Block Heater parts from the 2018-2025 JL Wrangler, 2019-2023 Cherokee KL and 2023-2024 Compass MP with the 2.0L Turbo gas engine

Jeep WK Grand Cherokee Engine Block Heaters. Retired: 2015 Jeep Cherokee KL Trailhawk: Brilliant Black Reminder: Forum Rules. Other Name: Heater Package Engine Block; Heating Unit